Артикул:
30SD10-34
Много
Цены на компоненты предоставляются по запросу.
В системе указана условная стоимость в 1 ¥ для прохождения процедуры оформления запроса/заказа.
В системе указана условная стоимость в 1 ¥ для прохождения процедуры оформления запроса/заказа.
*Вы можете добавлять нужные компоненты в корзину и оформлять заказ через сайт. После этого мы свяжемся с вами для уточнения деталей и выставим актуальное ценовое предложение.
Номинальное давление: 207 бар (3000 psi)
Максимальный расход: 22,7 л/мин (6 gpm)
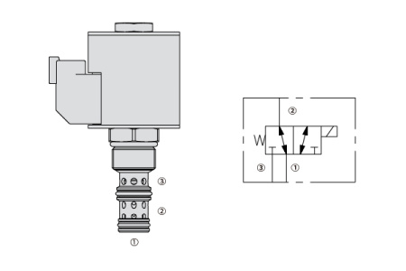
Гидравлический клапан соленоидного типа, трехпозиционный, прямого действия, со шпиндельным типом, крепится винтовым способом.
| Rated pressure | 207 bar(3000 psi) | |
| Proof pressure | 350 bar (5075 psi) | |
| Peak flow | 22.7 L/min (6 gpm) | |
| Fluid | Mineral-based or synthetics with lubricating properties | |
| Temperature range ℃ | -54 to 107 ℃ (Polyurethane seals) | |
| -40 to 100 ℃ (Buna N seals) | ||
| -26 to 204 ℃ (Fluorocarbon seals) | ||
| Viscosity range | 7.4 to 420 mm2/s | |
| Degree of contamination | The minimum pollution level is ISO4406 level 20/18/14, and level 17/15/13 is recommended to prolong the service life | |
| Internal Leakage | ≤ 115 mL/min@207bar | |
| Cavity | VC10-3 | |
| Coil Duty Rating | Continuous from 85% to 115% of nominal voltage | |
| Response time | First indication of change of state with 100% voltage supplied at80% of nominal flow rating:Energized: 60 msec. ; De-energized: 10 msec. | |
| Initial Coil Current Draw at 20℃ | E-coil | 1.7A at 12VDC; 0.85A at 24VDC |
| D-coil | 1.67A at 12VDC; 0.83A at 24VDC | |
| Minimum pull-in voltage | 85% of nominal at 207 bar | |
Преимущества:
- Специальная обмотка для непрерывной работы
- Эффективная конструкция с мокрым якорем
- Картриджи могут работать с разными напряжениями
- Возможность использования водонепроницаемых Электрокатушек класса IP69K
- Все порты могут быть полностью под давлением
- Распространенный стандартный корпус
- Усиленные детали для долговечности и минимальных утечек
Отзывы
Оставить отзыв
Загрузка отзывов...
*Цены на компоненты предоставляются по запросу. В системе указана условная стоимость в 1 ¥ для прохождения процедуры оформления запроса или заказа.После вашего обращения мы отправим актуальное коммерческое предложение с уточненной стоимостью с реквизитами для оплаты счета. Для корпоративных заказчиков мы работаем по договору.
Как оформить заказ
Оформить заказ на нашем сайте легко. Просто добавьте выбранные товары в корзину, а затем перейдите на страницу Корзина, проверьте правильность заказанных позиций и нажмите кнопку «Оформить заказ» или «Быстрый заказ».
Быстрый заказ
Функция «Быстрый заказ» позволяет покупателю не проходить всю процедуру оформления заказа самостоятельно. Вы заполняете форму, и через короткое время вам перезвонит менеджер магазина. Он уточнит все условия заказа, ответит на вопросы, касающиеся качества товара, его особенностей. А также подскажет о вариантах оплаты и доставки.
По результатам звонка, пользователь либо, получив уточнения, самостоятельно оформляет заказ, укомплектовав его необходимыми позициями, либо соглашается на оформление в том виде, в котором есть сейчас. Получает подтверждение на почту или на мобильный телефон и ждёт доставки.
Оформление заказа в стандартном режиме
Если вы уверены в выборе, то можете самостоятельно оформить заказ, заполнив по этапам всю форму.
Заполнение адреса
Выберите из списка название вашего региона и населённого пункта. Если вы не нашли свой населённый пункт в списке, выберите значение «Другое местоположение» и впишите название своего населённого пункта в графу «Город». Введите правильный индекс.
Доставка
В зависимости от места жительства вам предложат варианты доставки. Выберите любой удобный способ. Подробнее об условиях доставки читайте в разделе «Доставка».
Оплата
Выберите оптимальный способ оплаты. Подробнее о всех вариантах читайте в разделе «Оплата»
Покупатель
Введите данные о себе: ФИО, адрес доставки, номер телефона. В поле «Комментарии к заказу» введите сведения, которые могут пригодиться курьеру, например: подъезды в доме считаются справа налево.
Оформление заказа
Проверьте правильность ввода информации: позиции заказа, выбор местоположения, данные о покупателе. Нажмите кнопку «Оформить заказ».
Наш сервис запоминает данные о пользователе, информацию о заказе и в следующий раз предложит вам повторить к вводу данные предыдущего заказа. Если условия вам не подходят, выбирайте другие варианты.
Вы можете выбрать один из трех вариантов оплаты:
Банковский перевод
По получении Вашего заказа мы его обрабатываем и уведомляем Вас в течении 1-3 дней сообщением на указанный при регистрации адрес эл. почты.
После этого в любом банке Вы производите оплату стоимости заказа и доставки своего заказа по банковским реквизитам, указанным в счете, который будет выставлен на Вашу организацию или на Вас, как на частное лицо.
Пример оплаты в Сбербанке: Войдите в свой аккаунт Сбербанк-Онлайн и выберите «Переводы и платежи». Далее выберите «Перевод организации». Заполните поля, используя наши реквизиты. Номер счета — это расчетный счет.
Оплата банковской картой
При оформлении заказа в корзине вы можете выбрать вариант безналичной оплаты с помощью банковской карты. Мы принимаем карты Visa и Master Card. Чтобы оплатить покупку, вас перенаправит на сервер платежной системы, где вы должны ввести номер карты, срок действия, имя держателя.
Вам могут отказать от авторизации в случае:
· если ваш банк не поддерживает технологию 3D-Secure;
· на карте недостаточно средств для покупки;
· банк не поддерживает услугу платежей в интернете;
· истекло время ожидания ввода данных;
· в данных была допущена ошибка.
В этом случае вы можете повторить авторизацию через 20 минут, воспользоваться другой картой или обратиться в свой банк для решения вопроса.
Наша компания предлагает несколько вариантов доставки:
- морские контейнерные перевозки;
- сухопутный железнодорожный транспорт;
- сухопутный автомобильный транспорт;
- курьерская;
- почта EMS.
Курьерская доставка*
Вы можете заказать доставку товара с помощью курьера, который прибудет по указанному адресу в будние дни и субботу с 9.00 до 19.00. Курьерская служба, после поступления товара на склад, свяжется с вами и предложит выбрать удобное для доставки время и уточнит ваш адрес.
*Действует ли в вашем городе курьерская служба, уточняйте у менеджера магазина.
Почтовая доставка
Если в вашем городе не действует курьерская служба, то вы можете заказать доставку через почту EMS. Сразу по прибытии товара, на ваш адрес придет извещение о посылке.
Срок доставки
В зависимости от вашего региона проживания, доставка занимает разное время.
О доставке в другие регионы России и страны СНГ уточняйте менеджеров магазина.
- Для ознакомления с характеристиками компонента мы рекомендуем вам скачать более подробную техническую информацию в формате PDF, которая может находиться на странице с описание товара.
- Для некоторых компонентов также доступны видеобзоры.
